13511643390
產品編號:2280132616
產品名稱:DG系列車輛液壓缸
規 格:
產品備注:
產品類別:液壓缸系列
DG系列車輛液壓缸
車輛油缸詳細介紹
產品特點:
結構簡單、小型、輕量、高強度
在徹底解決液壓缸外泄漏的同時,保證了活塞桿獲得 的潤滑油膜,延長了密封件的使用壽命。 采用根據負載和頻率分析的強度和疲勞設計,選用特殊材質的液 壓缸缸筒材料,以及專門的焊接技術,通過超聲波探傷檢測。作為高壓規格,實現小型、輕量、高強度和高可靠使用性能。本系列油缸兩端不帶緩沖。
密封系統
依靠能夠克服油缸特殊的野外使用工況設計的獨特密封系統,防止了土砂塵埃對液壓缸破壞性的污染
缸體
選用特殊材料,通過冷擠壓和滾光加工,獲得良好的表面光潔度和硬度。做到了輕量、高耐壓的設計要求。
活塞桿
以中頻淬火為基礎,通過雙層雙金屬電鍍(鍍硬鉻+鍍鎳)工藝,提高了活塞桿的抗腐蝕的耐磨性能。
安全
根據需要,能夠比較容易地安裝各種具有專用慢回程計數平衡以及緊急關閉等功能的閥。
DG型油缸主要是針對建設機械車輛懸掛裝置配備的液壓缸。此類型油缸主要分為單作用柱塞式液壓缸和油氣缸兩種類型。

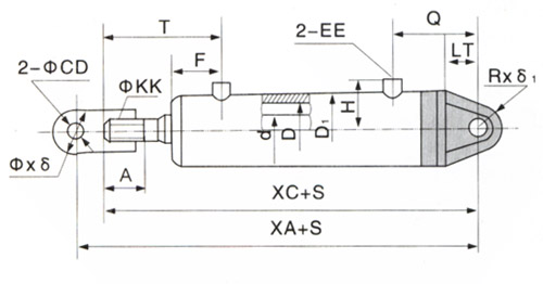
本系列液壓缸為雙作用單活塞桿、尾部單耳環安裝型液壓缸。主要用語工程機械、運輸機械、礦山機械及其它車輛等的液壓傳動。工作壓力為 8~16Mpa, 缸徑 40~320mm 。


安裝外形尺寸
